作为一个加工中心操作人员,对编程代码一定不会陌生。G代码是最为常见的加工中心编程代码,常用的指令如下图:
|
G 代 码
|
|||||
| G0 | 点定位 | G41 | 刀具左补偿(后跟D) | G74 | 反攻螺丝 |
| G01 | 直线切削(后必须有F) | G42 | 刀具右补偿(后跟D) | G76 | 精镗 |
| G02 | 顺时针圆弧切削(后需有R) | G43 | 刀具负补偿(后跟H) | G80 | 取消固定循环 |
| G03 | 逆时针圆弧切削(后需有R) | G44 | 刀具长度负补偿 | G81 | 直线钻孔 |
| G04 | 暂停 | G49 | 刀具长度补偿取消 | G82 | 钻孔循环 |
| G17 | XY平面选择 | G54 | 加工坐标系1 | G83 | 啄式钻孔 |
| G18 | XZ平面选择 | G55 | 加工坐标系2 | G84 | 攻螺纹循环 |
| G19 | YZ平面选择 | G56 | 加工坐标系3 | G85 | 镗孔循环 |
| G20 | 英制输入 | G57 | 加工坐标系4 | G86 | 镗孔循环 |
| G21 | 公制输入 | G58 | 加工坐标系5 | G87 | 反镗孔循环 |
| G28 | 原点归复 | G59 | 加工坐标系6 | G90 | 绝对坐标 |
| G40 | 刀具半径补偿取消 | G73 | 钻孔循环 | ||
下面小编将通过工件加工的实例来让大家更好的理解加工中心编程代码的使用。
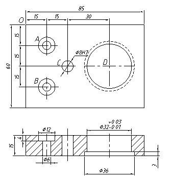
下图为一长方形板类零件,工件材料为45号钢,六面已加工,我们来分析孔加工工艺及编写该零件的加工程序。

零件加工工艺分析
如图所示的零件,其上共有4个孔,两个精度要求不高的φ6/φ12的沉头孔,可以直接钻头钻穿,后采用φ12的立铣刀扩出沉孔。φ8H7的通孔要求精度较高,可以先采用φ7.8的钻头先钻穿,留0.2mm的余量进行铰削加工,保证精度。φ36的沉孔为了保证孔的同轴度和表面的垂直度可以采用背镗工艺,因此该零件安排的加工工艺过程如下:
(1)为保证孔间距精度,先采用中心钻点孔。
(2)采用φ6的钻头钻削两个φ6孔。
(3)采用φ7.8钻头钻削φ8孔留余量0.2mm。
(4)采用φ30钻头钻留余量2mm。
(5)扩φ12沉孔。
(6) 粗镗φ32孔留余量0.03mm。
(7)背镗φ36孔至尺寸。
(8)铰φ8H7。
(9) 精镗φ32孔。
2、刀具及切削用量的选择
加工零件所需的刀具及其切削用量选择见表。
| 刀号 | 加 工 内 容 | 刀具规格 |
主轴转速 r/min |
进给速度 mm/min |
刀具补偿 | ||
| 类型 | 材料 | 半径 | 长度 | ||||
| T1 | 中心钻点孔 | φ3mm中心钻 | 高速钢 | 1300 | 80 | H01 | |
| T2 | 钻孔 | φ6mm钻头 | 800 | 100 | H02 | ||
| T3 | 钻孔 | φ7.8钻头 | 600 | 100 | H03 | ||
| T4 | 钻孔 | φ30钻头 | 200 | 60 | H04 | ||
| T5 | 扩孔 | φ12立铣刀 | 600 | 100 | H05 | ||
| T6 | 粗镗 | 可调粗镗刀 | 硬质合金 | 800 | 100 | H06 | |
| T7 | 镗孔 | 可调背镗刀 | 600 | 50 | H07 | ||
| T8 | 铰孔 | φ8H7铰刀 | 高速钢 | 200 | 50 | H08 | |
| T9 | 精镗 | 可调精镗刀 | 硬质合金 | 800 | 50 | H09 | |
3、确定编程原点位置及相关的数值计算
根据工艺分析,为方便计算与编程,如图10.1所示,选左上角的O点为工件坐标系原点。4个点位的坐标如下:
A(X = 15.00 Y = -15.00) B(X = 15.00 Y = -45.00)C(X = 30.00 Y = -30.00) D(X = 60.00 Y = -30.00)
4、参考程序
| 程序段号 | O100 | 程序名 |
| G40 G80 G49; | 安全设定。 | |
| G28 G91 Z0; | 经当前点,返回换刀点。 | |
| G28 X0 Y0; | 返回机床原点。 | |
| G54; | 坐标系设定。 | |
| N1 | M06 T01; | 换1号刀(φ3mm中心钻),适用无机械手盘式刀库。 |
| M03 S1300; | 主轴设定。 | |
| M8; | 冷却液设定。 | |
| G43 G90 G0 Z20. H01; | 下刀至横越平面,同时执行刀具长度补偿。 | |
| G99 G81 X15. Y-15. R3 Z -4. F80; | 中心钻点出A孔位。 | |
| X15. Y-45.; | 点出B孔位。 | |
| X30. Y-30.; | 点出C孔位。 | |
| X60. Y-30.; | 点出D孔位。 | |
| G80 G28 G91 Z0; | 返回换刀点。 | |
| N2 | M06 T02; | 换2号刀(φ6mm钻头)。 |
| M03 S800; | 主轴设定。 | |
| G43 G90 G0 Z20. H02; | 下刀至横越平面,同时执行刀具长度补偿。 | |
| G73 X15. Y-15. Z -19. Q4. F100; | 断削钻方式钻削A孔。 | |
| X15. Y-45.; | 断削钻方式钻削B孔。 | |
| G80 G28 G91 Z0; | 返回换刀点。 | |
| N3 | M06 T03; | 换3号刀(φ7.8钻头)。 |
| M03 S600; | 主轴设定。 | |
| G43 G90 G0 Z20. H03; | ||
| G73 X30. Y-30. Z -19. Q4. F100; | 断削钻方式钻削C孔。 | |
| G80 G28 G91 Z0; | ||
| M5; | 主轴停。 | |
| M9; | 冷却液停 | |
| M1; | 选择性暂停,测量尺寸,保证余量。(试件时使用) | |
| N4 | M06 T04; | 换4号刀(φ30钻头)。 |
| M03 S200; | ||
| M8; | 冷却液设定。 | |
| G43 G90 G0 Z20. H04; | ||
| G73 X60. Y-30. Z -19. Q4. F60; | 断削钻方式钻削D孔。 | |
| G80 G28 G91 Z0; | ||
| N5 | M06 T05; | 换5号刀(φ12立铣刀)。 |
| M03 S600; | ||
| G43 G90 G0 Z20. H05; | ||
| G81 X15. Y-15. Z -19. F100; | 铣削沉孔A。 | |
| X15. Y-45.; | 铣削沉孔B。 | |
| G80 G28 G91 Z0; | ||
| N6 | M06 T06; | 换6号刀(可调粗镗刀)。 |
| M03 S800; | ||
| G43 G90 G0 Z20. H06; | ||
| G86 X60. Y-30. R3. Z -17. F100; | 镗φ32孔留0.02mm余量。 | |
| G80 G28 G91 Z0; | ||
| M5; | ||
| M9; | ||
| M1; | 选择性暂停,调整余量。(试件时使用) | |
| N7 | M06 T07; | 换7号刀(可调背镗刀)。 |
| M03 S600; | ||
| M8; | 冷却液设定。 | |
| G43 G90 G0 Z20. H07; | ||
| G87 X60. Y-30. R-18. Z -12. Q2. F50; | 背镗φ36孔至尺寸。 | |
| G80 G28 G91 Z0; | ||
| M5; | ||
| M9; | ||
| M1; | 选择性暂停,控制尺寸。(试件时使用) | |
| N8 | M06 T08; | 换8号刀(φ8H7铰刀)。 |
| M03 S200; | ||
| M8; | 冷却液设定。 | |
| G43 G90 G0 Z20. H08; | ||
| G85 X30. Y-30. R3. Z -19. F50; | 铰φ8H7孔。 | |
| G80 G28 G91 Z0; | ||
| M5; | ||
| M9; | ||
| M1 | ||
| N9 | M06 T09; | 换9号刀(可调精镗刀)。 |
| M03 S800; | ||
| M8; | 冷却液设定。 | |
| G43 G90 G0 Z20. H09; | ||
| G76 X60. Y-30. R3. Z -17.Q2. F50; | 精镗φ32孔至尺寸。 | |
| G80 G28 G91 Z0; | ||
| M30; | 程序结束,光标返回程序头。 |
5、加工注意事项
(1)装夹镗刀杆时,要注意首先使用M19控制好准定方位,另外,注意系统内设的退刀方向。
(2)在首件加工要按下选择性暂停按钮,调整好刀具,控制精度





在线咨询